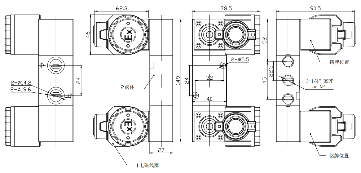
●尺寸图
●参数表
|
TKV320F1D1技术参数 |
|
|---|---|
|
型号/Product Type |
TKV320F1D1 |
|
电压/Normal Voltage |
DC12V / DC24V / AC110V / AC220V |
|
功率/Normal Power |
3W / 3W / 4VA / 4VA |
|
阀体阀芯 |
压铸铝 |
|
涂层 |
阳极氧化 |
|
密封件 |
丁腈橡胶 |
|
与流体接触部分材质 |
铝,树脂,丁腈橡胶 |
|
功能 |
2位5通,双稳态,先导式 |
|
气源接口 |
可选1/4"BSPP或NPT
|
|
流量 |
CV=1.4(25.00m㎡) |
|
安装与连接 |
24×32 Namur,阀体上带手柄 |
|
连接件 |
不锈钢 |
|
工作环境 |
室内和室外 |
|
环境温度 |
—20℃~60℃ |
|
工作压力 |
2~8 bar |
|
操作介质 |
颗粒小于41μm的过滤干燥空气 |
|
使用寿命 |
超过2,000,000次(在常规工作环境下) |
●描述
1/2″NPT、M20 x 1.5导管入口或 G 1/2"
防护等级IP6X
采用2极端子带+接地连接
连续通电
最大允许电压变化±10%
内部和外部接地连接螺钉
不锈钢电磁螺线管
低功耗
电压范围广
国家防爆认证产品、符合多个标准要求


