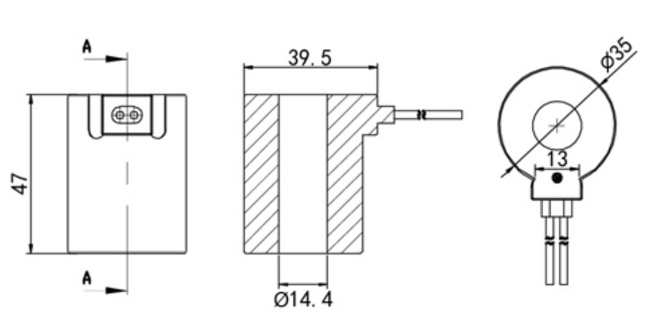
●尺寸图
●参数表
|
XFE技术参数 |
|
|---|---|
|
型号/Product Type |
XFE |
|
电压/Normal Voltage |
DC12V |
|
功率/Normal Power |
12W |
|
绝缘等级/Insulation Class |
F、H |
|
电压波动范围 |
±10% |
|
防护等级 |
IP65 |
|
持续通电率 |
100%ED |
●使用注意事项
1.线圈不得单独通电使用,有烧损风险!
2.电磁线圈不得使用在超过额定工作压力的环境中!
3.请确认输入电压正确稳定,以免造成线圈烧损或无法工作!
●安全注意事项
1.请充分了解产品设计、安装、可靠性、使用程序以及安全环境条件!
2.线圈安装完成后,请确认是否接地可靠,否则有触电危险!
|
|


